您好,欢迎访问
苏州赛浦斯电子有限公司
官网
简体中文
|
English
|
代
理合作
|
关于我们
|
联系我们
咨询热线
0512-66324802
首页
关于我们
公司概要
企业文化
销售网络
发展历程
产品中心
行业应用
新闻资讯
公司新闻
行业动态
产品变更
联系我们
代理合作
名称
描述
内容
真空吸笔
电动吸笔
手动吸笔
电动晶圆吸笔
气动晶圆吸笔
手动吸笔头
晶圆吸笔头
光学透镜吸盘
吸笔配件
微晶片吸笔头吸嘴
晶片夹
液晶屏吸笔
真空吸球
真空吸盘
SP3系列
SP3P薄膜/开袋
SP2摇头吸盘
SP2椭圆形
SP2系列 低矮吸盘
SP/SP2重载型吸盘
S-PU平行真空吸盘
S-PC-平行带肋吸盘
S-PB-双层吸盘风琴
V-A薄型吸盘
V-F平行吸盘
V-J波纹吸盘
V-C型3层波纹吸盘
V-U摇头万向吸盘
V-B系列
无痕吸盘
P-SA 海绵吸盘
P-A深型吸盘
P-R标准型系列
P-B波纹风箱型系列
P-LB柔软波纹风箱型
P-L柔软型系列
P-P薄物用型系列
P-W防滑型
P-E椭圆形
长行程系列
P-F扁平/平面
精密吸嘴(半导体、LED封装)
橡胶吸嘴(圆形)RT-XXX
平面吸嘴、正方形#长方形
凹槽围墙吸嘴正方形长方形
高温吸嘴
精密吸嘴正方形长方形
焊球吸嘴
塑胶吸嘴
交叉吸嘴方形、长方形
三边吸嘴
顶针
高温胶木吸嘴
钨钢平面吸嘴
大面积海绵吸盘
压力传感器
真空发生器
真空过滤器
防脱落阀、单向阀
防脱落阀
MAKH.MAKB单向止回阀
MKC自封式快换止回阀
接头
接头
不锈钢接头
手动阀
调速阀
带排气节流的快排阀
气缸、气爪
伺服电缸、模组
电缸
螺杆伺服滑台一般环境
无尘螺杆伺服滑台
皮带伺服滑台一般环境
无尘皮带伺服滑台
电磁阀
非接触吸盘
3C LED 特殊产品
6
产品中心
首页
>>
真空吸盘
>>
SP3系列
>>
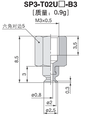
SP3-T035UN-B3
SP3-T035UN-B3
市场价:
0.00
价格:
0.00
上一个:
SP3-T08UMN-A5
下一个:
SP3-T015UN-A3